Время работы:
пн-пт: 9.00 до 18.00
Орехово-Зуево
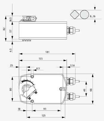
Привод этой модели управляет заслонками воздуха в системах воздушной вентиляции и кондиционирования, поддерживающих жизнедеятельность зданий.
Доставка по Москве в пределах МКАД: мелкогабаритный груз от 1 000 руб., крупногабаритный груз от 2 500 руб.,
Полный цикл работ: подберем, спроектируем и установим оборудование
Нашли дешевле? Звоните, договоримся!
Заявки принимаются с реквизитами через почтуУстановка изделия серии GM производится на вал заслонки. Для этого используется универсальный захват с фиксатором. Последний препятствует вращению приводного корпуса. Прибором можно управлять вручную, используя для этого кнопку с самовозвратом. Ее нажатие выводит редуктор из положения зацепления.
